网络正规PM娱乐城

FL48CBL-IE3
产品中心 一体式集成驱动器无刷电机

FL48CBL-IE3

FL48CBL-IE3一体式无刷电机是江苏富兴电机技术股份有限公司自主研发的一款高性价比电机。它采用三相有感方波电机控制芯片,集成度高、体积小、拥有完善的保护措施。该电机具有转度高、振动小、噪声低、平稳性好等优点。
选件:
  • FL48CBL-IE3

    编码器

  • FL48CBL-IE3

    齿轮箱

  • FL48CBL-IE3

    接插件

  • FL48CBL-IE3

    刹车

特点:

1)输入电压18VDC~28VDC,宽电压输入

2)采用PWM调速模式

3)具备转速反馈、正反转、刹车等功能

4)具有欠压、过压、过温、过流、堵转等保护功能

5)超高性价比,经济高效

6)可接受定制化


典型应用:

广泛应用于各种中小型自动化设备和仪器,例如:电子加工设备、3C非标自动化设备、锁螺丝机、剥线机、绕线机、端子机、激光机、打标机、喷绘机、中小型雕刻机、自动抓取设备、专用数控机床、包装设备和机器人等。


调速模式控制:

外部PWM调速:PWM与GND之间可以施加幅值为5V,频率为20KHz的脉宽数字信号(PWM) 进行调速,电机转速受其占空比线性调节。


控制端口:

引脚号

信号

功能

说明

1

PWM

调速信号

PWM调速:

0~5%全速

5~95%线性调速

95~100%停止

2

PG

转速信号

TTL-5V电平,1脉冲/1对极/

3

F/R

方向信号

悬空或接高电平CW(4V~5V)

接低电平CCW(0V~0.5V)

4

BK

刹车信号

悬空或接高电平无效(4V~5V)

接低电平刹车有效(0V~0.5V)


电源端口:

引脚号

信号

功能说明

1

VDD

电源输入正端,输入电压18V~28Vdc

2

GND

电源输入负端


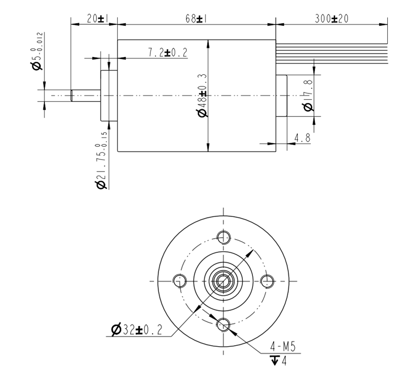
电机尺寸

image

资料下载
2D 264.65 KB
3D 12.54 MB
FL42CBL-IE3一体式无刷电机使用说明书 597.45 KB

Copyright 2023 版权所有 江苏富兴电机技术股份有限公司

网上十大雷火竞技网(官方)网站/网页版登录入口/手机版登录入口-最新版(已更新) 网络正规PM娱乐城(官方)网站/网页版登录入口/手机版登录入口-最新版(已更新) 雷火竞技最火十大网(官方)网站/网页版登录入口/手机版登录入口-最新版(已更新) 网络188BET足球大全(官方)网站/网页版登录入口/手机版登录入口-最新版(已更新) boyu·博鱼权威足球(官方)网站/网页版登录入口/手机版登录入口-最新版(已更新) PM娱乐城网络足球网(官方)网站/网页版登录入口/手机版登录入口-最新版(已更新) 利记最新足球网(官方)网站/网页版登录入口/手机版登录入口-最新版(已更新) 利记网上网络盘口(官方)网站/网页版登录入口/手机版登录入口-最新版(已更新)