网络正规PM娱乐城

iBLD42NR-H-T
产品中心 一体式集成驱动器无刷电机

iBLD42NR-H-T

iBLD42NR系列一体式闭环无刷电机是常州富兴机电有限公司自主研发的一款高性价比闭环电机。它采用32位专用电机控制芯片,集成度高、体积小、拥有完善的保护措施。该电机采用新型的PWM控制技术,使无刷电机运行具有转度高、振动小、噪声低、平稳性好等优点。
选件:
  • iBLD42NR-H-T

    编码器

  • iBLD42NR-H-T

    齿轮箱

  • iBLD42NR-H-T

    接插件

  • iBLD42NR-H-T

    刹车

特点:

1、采用32位电机控制专用芯片

2、电压等级12VDC~48VDC,支持宽电压输入

3、支持多种调速模式(PWM\模拟量\通讯)

4、具备启停、正反转、刹车等控制功能

5、RS485通讯,支持Modbus通讯协议

6、高精度的速度、电流双闭环控制

7、支持控制信号限值、PID、加减速、电流值等参数的软件设定

8、具有过压、欠压、过流、过温、堵转等保护功能

9、超高性价比,经济高效

10、可接受定制化


典型案例:

广泛应用于各种中小型自动化设备和仪器,例如:电子加工设备、3C非标自动化设备、锁螺丝机、剥线机、绕线机、端子机、激光机、打标机、喷绘机、中小型雕刻机、自动抓取设备、专用数控机床、包装设备和机器人等。


产品概述:

iBLD42NR-H-T系列一体式闭环无刷电机是常州富兴机电有限公司自主研发的一款高性价比闭环电机。它采用32位专用电机控制芯片,集成度高、体积小、拥有完善的保护措施。该电机采用新型的PWM控制技术,使无刷电机运行具有转度高、振动小、噪声低、平稳性好等优点。


调速模式控制:

iBLD42NR-H-T提供以下三种调速方式用户可任选一种(通过上位机配置):

外部模拟量调速: 通过富兴的上位机软件,将控制模式(0x0002)设置为0,可通过外部模拟量输出或者电位器调速(推荐电位器5K~100K)。

外部PWM调速:通过富兴的上位机软件,将控制模式(0x0002)设置为1或2,SV/PWM与GND之间可以施加幅值为5V,频率为 1KHz-20KHz的脉宽数字信号(PWM) 进行调速,电机转速受其占空比线性调节。

通讯调速:通过富兴的上位机软件,将控制模式(0x0002)设置为3,设置目标转速(0x0004),将通讯启停(0x0003)设置为1。


通讯接线图:image


控制端口JST B08B-PASK  8引脚)

引脚号

信号

功能

说明

1

TR2

终端电阻接线端

TR2\   TR1短接将接入终端电阻

2

TR1

终端电阻接线端

TR2\   TR1短接将接入终端电阻

3

SV/PWM

调速信号(可通讯配置)

模拟量调速:0.5V~4.5V

PWM调速:  占空比极性可配置

0~5%全速

5~95%线性调速

95~100%停止

4

PG

转速信号

TTL-5V电平,1脉冲/1对极/

5

BK

刹车信号

悬空或接高电平无效(1.7V~24V)

接低电平刹车有效(0V~0.8V)

6

F/R

方向信号

CW\CCW高低电平极性可软件配置

高电平(1.7V~24V

低电平(0V~0.8V)

7

GND

传感器电源地

传感器电源地,与主电源共地

8

+5V

传感器+5V电源

传感器+5V电源,输出电流<=30mA


电源端口(JST B06B-XASK  6引脚)

引脚号

信号

功能说明

1

VDD

电源输入正端,输入电压10V~50Vdc

2

GND

电源输入负端

3

A

通讯RS485-A

4

B

通讯RS485-B

5

A

通讯RS485-A

6

B

通讯RS485-B


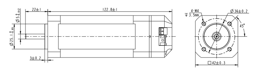
电机尺寸

image

资料下载
2D 1.3 MB
调试软件 3.7 MB
3D 3.58 MB
iBLD42NR-H-T系列一体式闭环无刷电机使用说明书 529.33 KB

Copyright 2023 版权所有 江苏富兴电机技术股份有限公司

网上十大雷火竞技网(官方)网站/网页版登录入口/手机版登录入口-最新版(已更新) 网络正规PM娱乐城(官方)网站/网页版登录入口/手机版登录入口-最新版(已更新) 雷火竞技最火十大网(官方)网站/网页版登录入口/手机版登录入口-最新版(已更新) 网络188BET足球大全(官方)网站/网页版登录入口/手机版登录入口-最新版(已更新) boyu·博鱼权威足球(官方)网站/网页版登录入口/手机版登录入口-最新版(已更新) PM娱乐城网络足球网(官方)网站/网页版登录入口/手机版登录入口-最新版(已更新) 利记最新足球网(官方)网站/网页版登录入口/手机版登录入口-最新版(已更新) 利记网上网络盘口(官方)网站/网页版登录入口/手机版登录入口-最新版(已更新)