网络正规PM娱乐城

FL28BL
产品中心 常规无刷电机

FL28BL

28mm直流无刷电机,15VDC,24VDC,圆形
选件:
  • FL28BL

    编码器

  • FL28BL

    齿轮箱

  • FL28BL

    接插件

  • FL28BL

    刹车

特性概要 ( General Specifications )

绕组连接方式 ( Winding Type )

星形 ( Star connection)

霍尔分布角度 ( Hall Effect Angle )

120度电角度 ( Electrical Angle of 120 degree)

径向间隙 ( Radial Play )

0.02mm@450g

轴向间隙 ( Axial Play )

0.08mm@450g

最大径向负载 ( Max radial force )

10N  距法兰10mm ( 10mm From the flange)

最大轴向负载 ( Max axial force )

2N

介电强度 ( Dielectric Strength )  

600VAC/1S

绝缘电阻 ( Insulation Resistance )

100MΩ, 500VDC

环境温度 ( Ambient Temperature )

-20°C   ~   +50°C

绝缘等级 (Insulation Class)

Class B 


接线说明(Electric Connection)

引出线型号Type

引出线颜色Color

功能Functions

UL1007 AWG26

黄色  (Yellow )

霍尔电源正  ( Vcc )


蓝色  ( Blue )

霍尔 U ( Hu )


橙色  ( Orange )

霍尔 V ( Hv )


棕色  ( Brown )

霍尔 W ( Hw )


白色  ( White )

霍尔电源负 ( GND )

UL1007 AWG26

绿色  ( Green )

U相 ( Phase U )


红色  ( Red)

V相 ( Phase V )


黑色  ( Black)

W相 ( Phase W )


电性能 (Electrical Specifications)  


单 位 (Unit)

FL28BL28-15V-8006AF

FL28BL38

FL28BL77-24V-3116AF

极数  ( Number of poles )



4


相数  ( Number of phases )



3


额定电压 ( Rated  voltage )         

VDC

15

24

额定转矩 ( Rated torque)        

mN.m

5

14

50

连续运行转矩( Continuous stall torque)

mN.m

6

17

60

额定速度 ( Rated speed ) 

RPM

8000

10000

4000

额定功率 ( Rated power )  

W

4

15

21

峰值转矩 ( Peak torque ) 

mN.m

15

42

150

峰值电流 ( Peak current )  

A

1.1

2.5

4.1

线电阻 ( Line to line resistance )

ohms@20℃ 

8.2

4.2

4.2

线电感 ( Line to line inductance )

mH  

2.3

1.69

2.3

转矩常数 ( Torque constant )         ;

mN.m/A

14.3

16.9

37.4

反电势 ( Back EMF )

Vrms/KRPM

1.06

1.25

2.77

转动惯量 ( Rotor inertia )           

g.cm2

2.35

3.69

10.98

机身长度 ( Motor length )     L

mm

28

38

77

重量 ( Weight )

Kg

0.06

0.082

0.28


该款电机可以根据客户需求定制。

The motor can be designed &manufactured with customized request.


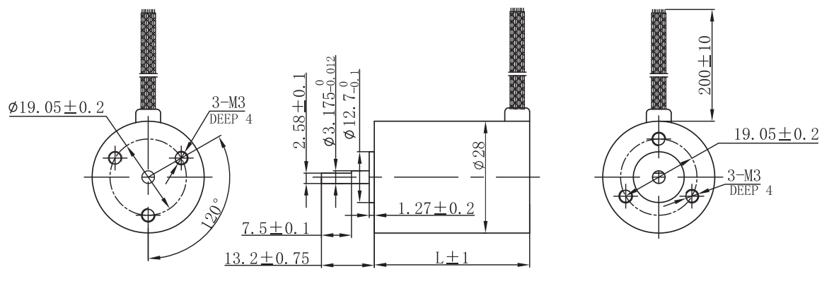
电机尺寸

image

资料下载
FL28BL77-24V-3116AF 233.61 KB
FL28BL28-15V-8006AF 308.88 KB
FL28BL38 215.48 KB

Copyright 2023 版权所有 江苏富兴电机技术股份有限公司

网上十大雷火竞技网(官方)网站/网页版登录入口/手机版登录入口-最新版(已更新) 网络正规PM娱乐城(官方)网站/网页版登录入口/手机版登录入口-最新版(已更新) 雷火竞技最火十大网(官方)网站/网页版登录入口/手机版登录入口-最新版(已更新) 网络188BET足球大全(官方)网站/网页版登录入口/手机版登录入口-最新版(已更新) boyu·博鱼权威足球(官方)网站/网页版登录入口/手机版登录入口-最新版(已更新) PM娱乐城网络足球网(官方)网站/网页版登录入口/手机版登录入口-最新版(已更新) 利记最新足球网(官方)网站/网页版登录入口/手机版登录入口-最新版(已更新) 利记网上网络盘口(官方)网站/网页版登录入口/手机版登录入口-最新版(已更新)