网络正规PM娱乐城

FL33BL
产品中心 常规无刷电机

FL33BL

33mm直流无刷电机,24VDC,48VDC,圆形
选件:
  • FL33BL

    编码器

  • FL33BL

    齿轮箱

  • FL33BL

    接插件

  • FL33BL

    刹车

特性概要 ( General Specifications )

绕组连接方式 ( Winding Type )

星形 ( Star connection)

霍尔分布角度 ( Hall Effect Angle )

120度电角度 ( Electrical Angle of 120 degree)

径向间隙 ( Radial Play )

0.02mm@450g

轴向间隙 ( Axial Play )

0.08mm@450g

最大径向负载 ( Max radial force )

10N  距法兰10mm ( 10mm From the flange)

最大轴向负载 ( Max axial force )

2N

介电强度 ( Dielectric Strength )  

600VAC/1S

绝缘电阻 ( Insulation Resistance )

100MΩ, 500VDC

环境温度 ( Ambient Temperature )

-20°C   ~   +50°C

绝缘等级 (Insulation Class)

Class B 


接线说明(Electric Connection)

引出线型号Type

引出线颜色Color

功能Functions

UL1007 AWG26

黄色  (Yellow )

霍尔电源正  ( Vcc )


蓝色  ( Blue )

霍尔 U ( Hu )


橙色  ( Orange )

霍尔 V ( Hv )


棕色  ( Brown )

霍尔 W ( Hw )


白色  ( White )

霍尔电源负 ( GND )

UL1007 AWG26

绿色  ( Green )

U相 ( Phase U )


红色  ( Red)

V相 ( Phase V )


黑色  ( Black)

W相 ( Phase W )


电性能 (Electrical Specifications) 


单 位 (Unit)

FL33BL38-24V-3007A

FL33BL80-24V-7840A-S

FL33BL80-48V-10040AS

极数  ( Number of poles )



4


相数  ( Number of phases )



3


额定电压 ( Rated  voltage )         

VDC

24

24

48

额定转矩 ( Rated torque)        

mN.m

22

50

40

连续运行转矩  ( Continuous stall torque)

mN.m

26

60

48

额定速度 ( Rated speed )  ;       

RPM

3000

7800

10000

额定功率 ( Rated power ) 

W

7

40

40

峰值转矩 ( Peak torque ) 

mN.m

66

150

120

峰值电流 ( Peak current )  

A

1.5

5.6

2.9

线电阻 ( Line to line resistance )

ohms@20℃ 

14.2

0.86

2.3

线电感 ( Line to line inductance )

mH  

7

0.55

1.45

转矩常数 ( Torque constant )         

mN.m/A

46.3

27

41.8

反电势 ( Back EMF )

Vrms/KRPM

3.43

2.0

3.1

转动惯量 ( Rotor inertia )

g.cm2

7.95

23.55

23.55

机身长度 ( Motor length )   L

mm

38

80

80

重量 ( Weight )

Kg

0.085

0.2

0.2


该款电机可以根据客户需求定制。

The motor can be designed &manufactured with customized request.


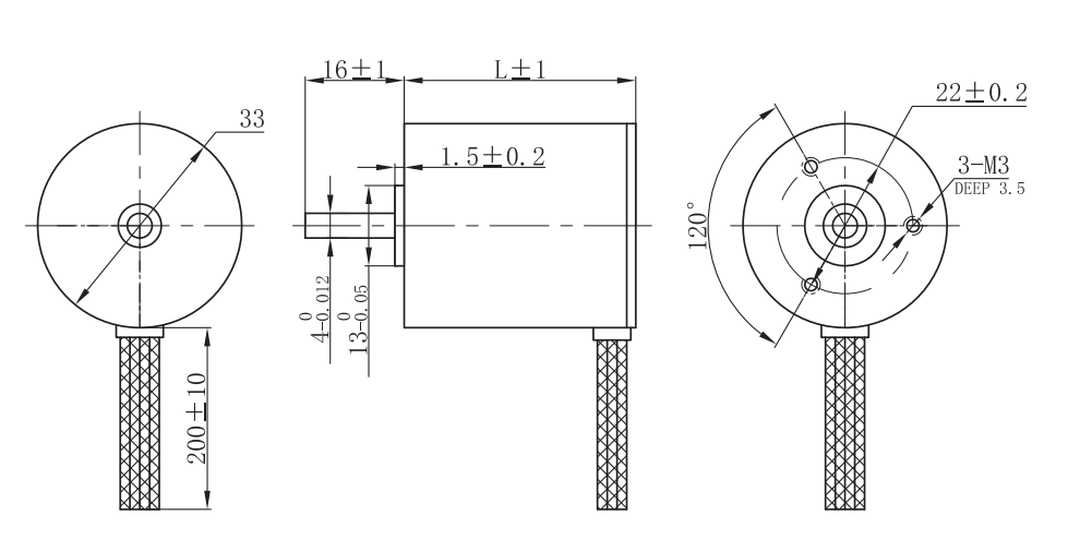
电机尺寸

image

资料下载
FL33BL38-24V-3007A 194.41 KB
FL33BL80-24V-7840A-S 247.42 KB
FL33BL80-48V-10040AS 263.64 KB

Copyright 2023 版权所有 江苏富兴电机技术股份有限公司

网上十大雷火竞技网(官方)网站/网页版登录入口/手机版登录入口-最新版(已更新) 网络正规PM娱乐城(官方)网站/网页版登录入口/手机版登录入口-最新版(已更新) 雷火竞技最火十大网(官方)网站/网页版登录入口/手机版登录入口-最新版(已更新) 网络188BET足球大全(官方)网站/网页版登录入口/手机版登录入口-最新版(已更新) boyu·博鱼权威足球(官方)网站/网页版登录入口/手机版登录入口-最新版(已更新) PM娱乐城网络足球网(官方)网站/网页版登录入口/手机版登录入口-最新版(已更新) 利记最新足球网(官方)网站/网页版登录入口/手机版登录入口-最新版(已更新) 利记网上网络盘口(官方)网站/网页版登录入口/手机版登录入口-最新版(已更新)