绕组连接方式 ( Winding Type ) | 三角形 ( Delta connection ) |
霍尔分布角度 ( Hall Effect Angle ) | 120度电角度 ( Electrical Angle of 120 degree) |
径向间隙 ( Radial Play ) | preloaded |
轴向间隙 ( Axial Play ) | 0.15mm@9N |
最大径向负载 ( Max radial force ) | 15N 距法兰5mm ( 5mm From the flange) |
最大轴向负载 ( Max axial force ) | 5N |
介电强度 ( Dielectric Strength ) | 500VAC/1S |
绝缘电阻 ( Insulation Resistance ) | 100MΩ, 500VDC |
环境温度 ( Ambient Temperature ) | -20°C ~ +50°C |
绝缘等级 (Insulation Class) | Class F |
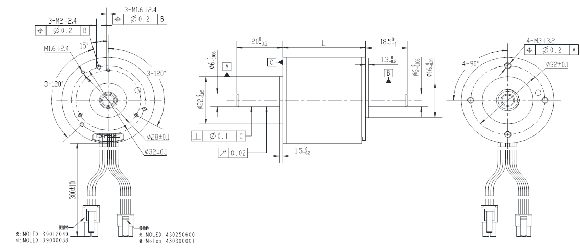
Pin No | 引出线型号Type | 引出线颜色Color | 功能Functions |
5 | UL1332 AWG26 MOLEX 430250600 | 绿色 ( Green ) | 霍尔电源正 ( Vcc ) |
1 | 黄色 ( Yellow ) | 霍尔 U ( Hu ) | |
2 | 棕色 ( Brown ) | 霍尔 V ( Hv ) | |
3 | 灰色 ( Gray ) | 霍尔 W ( Hw ) | |
4 | 蓝色 ( Blue ) | 霍尔电源负 ( GND ) | |
1 | UL1332 AWG20 MOLEX 39012040 | 红色 ( Red ) | U相 ( Phase U ) |
2 | 黑色 ( Black) | V相 ( Phase V ) | |
3 | 白色 ( White ) | W相 ( Phase W ) |
单 位 (Unit) | FL40BL36-36V-6487B | FL40BL36-48V-4165B | FL40BL56-36V-3986B | FL40BL56-48V-43102B | |
极数 ( Number of poles ) | 14 | ||||
相数 ( Number of phases ) | 3 | ||||
额定电压 ( Rated voltage ) | VDC | 36 | 48 | 36 | 48 |
额定转矩 ( Rated torque) | mN.m | 129 | 151 | 207 | 222 |
连续运行转矩 ( Continuous stall torque) | mN.m | 181 | 181 | 248 | 266 |
额定速度 ( Rated speed ) | RPM | 6450 | 4100 | 3950 | 4390 |
额定功率 ( Rated power ) | W | 87 | 65 | 86 | 102 |
峰值转矩 ( Peak torque ) | mN.m | 387 | 453 | 621 | 666 |
峰值电流 ( Peak current ) | A | 8.4 | 4.95 | 8.3 | 7.3 |
线电阻 ( Line to line resistance ) | ohms@20℃ | 0.59 | 2.28 | 0.85 | 1.01 |
线电感 ( Line to line inductance ) | mH | 0.51 | 2.05 | 0.68 | 1.0 |
转矩常数 ( Torque constant ) | Nm/A | 46.1 | 91.8 | 75.2 | 91 |
反电势 ( Back EMF ) | Vrms/KRPM | 3.42 | 6.8 | 5.57 | 6.73 |
转动惯量 ( Rotor inertia ) | g.cm2 | 23 | 23 | 44 | 44 |
机身长度 ( Motor length ) L | mm | 36 | 36 | 56 | 56 |
重量 ( Weight ) | g | 250 | 250 | 390 | 390 |
该款电机可以根据客户需求定制。
The motor can be designed &manufactured with customized request.

Copyright 2023 版权所有 江苏富兴电机技术股份有限公司