网络正规PM娱乐城

FL86BLC
产品中心 常规无刷电机

FL86BLC

86mm BLC系列直流无刷电机,方形机身,48VDC,3000RPM
选件:
  • FL86BLC

    编码器

  • FL86BLC

    齿轮箱

  • FL86BLC

    接插件

  • FL86BLC

    刹车

特性概要 ( General Specifications )

绕组连接方式 ( Winding Type )

星形 ( Star connection)

霍尔分布角度 ( Hall Effect Angle )

120度电角度 ( Electrical Angle of 120 degree)

径向间隙 ( Radial Play )

0.02mm@450g

轴向间隙 ( Axial Play )

0.08mm@450g

最大径向负载 ( Max radial force )

220N距法兰20mm ( 20mm From the flange)

最大轴向负载 ( Max axial force )

45N

介电强度 ( Dielectric Strength )  

600VAC/1S

绝缘电阻 ( Insulation Resistance )

100MΩ, 500VDC

环境温度 ( Ambient Temperature )

-20°C ~ +50°C

绝缘等级 (Insulation Class)

Class B 


接线说明(Electric Connection)

引出线型号Type

引出线颜色Color

功能Functions

UL1430 AWG24

红色  ( Red )

霍尔电源正  ( Vcc )


蓝色  ( Blue )

霍尔 U ( Hu )


绿色  ( Green )

霍尔 V ( Hv )


白色  ( White )

霍尔 W ( Hw )


黑色  ( Black )

霍尔电源负 ( GND )

UL1332 AWG16

黄色  ( Yellow )

U相 ( Phase U )


红色  ( Red )

V相 ( Phase V )


黑色  ( Black)

W相 ( Phase W )


电性能 (Electrical Specifications)


单 位 (Unit)

FL86BLC64

FL86BLC77

FL86BLC105

FL86BLC125

极数  ( Number of poles )


8

相数  ( Number of phases )


3

额定电压 ( Rated  voltage )

VDC

48

额定转矩 ( Rated torque)        

N.m

0.4

0.8

1.6

2.22

连续运行转矩 ( Continuous stall torque)

N.m

0.48

0.96

1.92

2.66

额定速度 ( Rated speed ) 

RPM

3000

3000

3000

3000

额定功率 ( Rated power )

W

130

250

500

700

峰值转矩 ( Peak torque )

N.m

1.2

2.4

4.8

6.66

峰值电流 ( Peak current )

A

10

17

36

51

线电阻 ( Line to line resistance )

ohms@20℃ 

1

0.34

0.14

0.1

线电感 ( Line to line inductance )

mH  

1.4

0.6

0.36

0.24

转矩常数 ( Torque constant ) 

N.m/A

0.122

0.149

0.135

0.131

反电势 ( Back EMF )

Vrms/KRPM

9

11

10

9.7

转动惯量 ( Rotor inertia )   

g.cm2

400

800

1600

2400

机身长度 ( Motor length )   L

mm

64

77

105

125

重量 ( Weight )

Kg

1.5

1.85

2.7

4


该款电机可以根据客户需求定制。

The motor can be designed &manufactured with customized request.


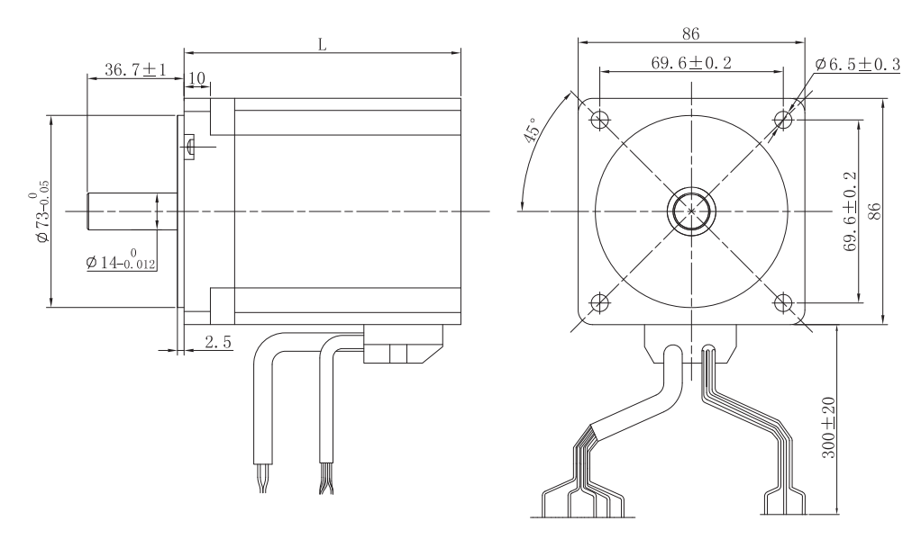
电机尺寸

image

资料下载
FL86BLC64 260.11 KB
FL86BLC77 263.67 KB
FL86BLC105 264.11 KB
FL86BLC125 262.71 KB

Copyright 2023 版权所有 江苏富兴电机技术股份有限公司

网上十大雷火竞技网(官方)网站/网页版登录入口/手机版登录入口-最新版(已更新) 网络正规PM娱乐城(官方)网站/网页版登录入口/手机版登录入口-最新版(已更新) 雷火竞技最火十大网(官方)网站/网页版登录入口/手机版登录入口-最新版(已更新) 网络188BET足球大全(官方)网站/网页版登录入口/手机版登录入口-最新版(已更新) boyu·博鱼权威足球(官方)网站/网页版登录入口/手机版登录入口-最新版(已更新) PM娱乐城网络足球网(官方)网站/网页版登录入口/手机版登录入口-最新版(已更新) 利记最新足球网(官方)网站/网页版登录入口/手机版登录入口-最新版(已更新) 利记网上网络盘口(官方)网站/网页版登录入口/手机版登录入口-最新版(已更新)