网络正规PM娱乐城

FL20BLW
产品中心 外转子无刷电机

FL20BLW

Φ20mm外转子无刷电机,12VDC,24VDC
选件:
  • FL20BLW

    编码器

  • FL20BLW

    齿轮箱

  • FL20BLW

    接插件

  • FL20BLW

    刹车

特性概要 ( General Specifications )

绕组连接方式 ( Winding Type )

星形 ( Star connection)

霍尔分布角度 ( Hall Effect Angle )

120度电角度 ( Electrical Angle of 120 degree)

径向间隙 ( Radial Play )

0.02mm@450g

轴向间隙 ( Axial Play )

0.08mm@450g

最大径向负载 ( Max radial force )

5.3N距法兰5mm ( 5mm From the flange)

最大轴向负载 ( Max axial force )

1.8N

介电强度 ( Dielectric Strength )  

360VAC/1S

绝缘电阻 ( Insulation Resistance )

100MΩ, 500VDC

环境温度 ( Ambient Temperature )

-20°C ~ +50°C

绝缘等级 (Insulation Class)

Class B 


接线说明(Electric Connection)

Pin No

引出线型号Type

功能Functions

1

FPC

霍尔电源正  ( Vcc )

2


霍尔 W ( Hw )

3


霍尔 U ( Hu )

4


霍尔 V ( Hv )

5


霍尔电源负 ( GND )

6


W相 ( Phase W )

7


V相 ( Phase V )

8


U相 ( Phase U )


电性能(Electrical Specifications)  


单 位 (Unit)

FL20BLW14-12V-5105A

FL20BLW14-24V-5205A

极数  ( Number of poles )


8

相数  ( Number of phases )


3

额定电压 ( Rated  voltage ) 

VDC

12

24

额定转矩 ( Rated torque)

mN.m

7.59

7.74

连续运行转矩 ( Continuous stall torque)

mN.m

9.1

9.2

额定速度 ( Rated speed ) 

RPM

5170

5220

额定功率 ( Rated power ) 

W

5

5

峰值转矩 ( Peak torque )

mN.m

19

20

峰值电流 ( Peak current )

A

1.62

0.85

线电阻 ( Line to line resistance ) 

ohms@20℃ 

7.2

26.1

线电感 ( Line to line inductance ) 

mH  

0.62

2.6

转矩常数 ( Torque constant ) 

mN.m/A

12

24

反电势 ( Back EMF )

Vrms/KRPM

0.89

1.78

转动惯量 ( Rotor inertia )

g.cm2

5.1

5.1

机身长度 ( Motor length ) 

mm

14

14

重量 ( Weight )

g

23

23


该款电机可以根据客户需求定制。

The motor can be designed &manufactured with customized request.


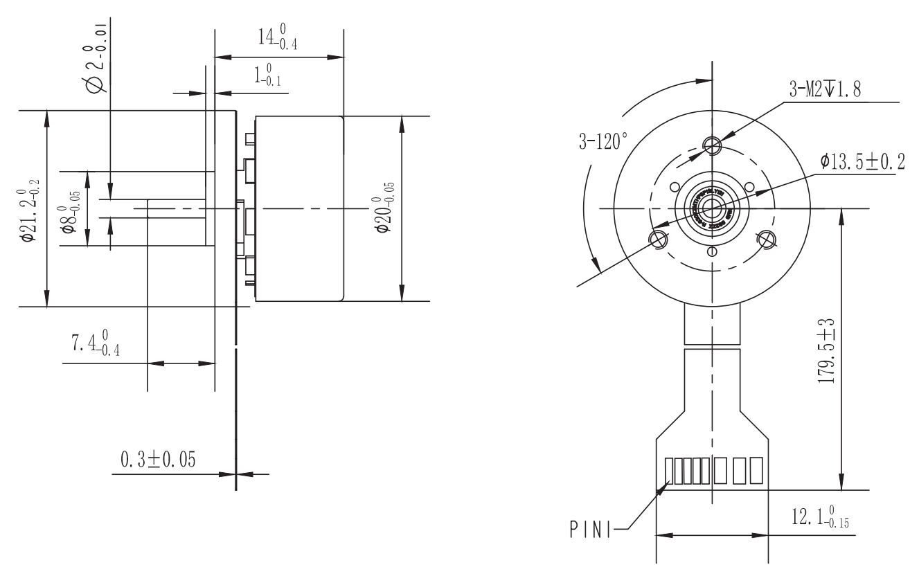
电机尺寸

image

资料下载
FL20BLW14-24V-5205A 110.87 KB
FL20BLW14-12V-5205A 110.69 KB

Copyright 2023 版权所有 江苏富兴电机技术股份有限公司

网上十大雷火竞技网(官方)网站/网页版登录入口/手机版登录入口-最新版(已更新) 网络正规PM娱乐城(官方)网站/网页版登录入口/手机版登录入口-最新版(已更新) 雷火竞技最火十大网(官方)网站/网页版登录入口/手机版登录入口-最新版(已更新) 网络188BET足球大全(官方)网站/网页版登录入口/手机版登录入口-最新版(已更新) boyu·博鱼权威足球(官方)网站/网页版登录入口/手机版登录入口-最新版(已更新) PM娱乐城网络足球网(官方)网站/网页版登录入口/手机版登录入口-最新版(已更新) 利记最新足球网(官方)网站/网页版登录入口/手机版登录入口-最新版(已更新) 利记网上网络盘口(官方)网站/网页版登录入口/手机版登录入口-最新版(已更新)