网络正规PM娱乐城

FL60BLW
产品中心 外转子无刷电机

FL60BLW

Φ60mm外转子无刷电机,24VDC
选件:
  • FL60BLW

    编码器

  • FL60BLW

    齿轮箱

  • FL60BLW

    接插件

  • FL60BLW

    刹车

特性概要 ( General Specifications )

绕组连接方式 ( Winding Type )

星形 ( Star connection)

霍尔分布角度 ( Hall Effect Angle )

120度电角度 ( Electrical Angle of 120 degree)

径向间隙 ( Radial Play )

0.02mm@450g

轴向间隙 ( Axial Play )

0.14mm@450g

最大径向负载 ( Max radial force )

28N  距法兰10mm ( 10mm From the flange)

最大轴向负载 ( Max axial force )

10N

介电强度 ( Dielectric Strength )  

600VAC/1S

绝缘电阻 ( Insulation Resistance )

100MΩ, 500VDC

环境温度 ( Ambient Temperature )

-20°C   ~   +50°C

绝缘等级 (Insulation Class)

Class B 


接线说明(Electric Connection)

引出线型号

Type

引出线颜色

Color

功能

Functions




UL1332 AWG26

红色  ( Red )

霍尔电源正  ( Vcc )


蓝色  ( Blue )

霍尔 U ( Hu )


绿色  ( Green )

霍尔 V ( Hv )


白色  ( White )

霍尔 W ( Hw )


黑色  ( Black)

霍尔电源负 ( GND )

UL1332 AWG18

黄色  ( Yellow )

U相 ( Phase U )


红色  ( Red )

V相 ( Phase V )


黑色  ( Black)

W相 ( Phase W )


电性能 (Electrical Specifications)  


单 位 (Unit)

FL60BLW38-24V-37110A-1

极数  ( Number of poles )


14

相数  ( Number of phases )


3

额定电压 ( Rated  voltage )         

VDC

24

额定转矩 ( Rated torque)      ;  

mN.m

290

连续运行转矩 ( Continuous stall torque)

mN.m

348

额定速度 ( Rated speed )         

RPM

3700

额定功率 ( Rated power )         

W

110

峰值转矩 ( Peak torque )          

mN.m

870

峰值电流 ( Peak current )         

A

17.4

线电阻 ( Line to line resistance )              

ohms@20℃ 

0.29

线电感 ( Line to line inductance )              

mH  

0.3

转矩常数 ( Torque constant )         

mN.m/A

50

反电势 ( Back EMF )           

Vrms/KRPM

3.75

转动惯量 ( Rotor inertia )           

g.cm2

1000

机身长度 ( Motor length )       

mm

38

重量 ( Weight )               

Kg

0.5


该款电机可以根据客户需求定制。

The motor can be designed &manufactured with customized request.


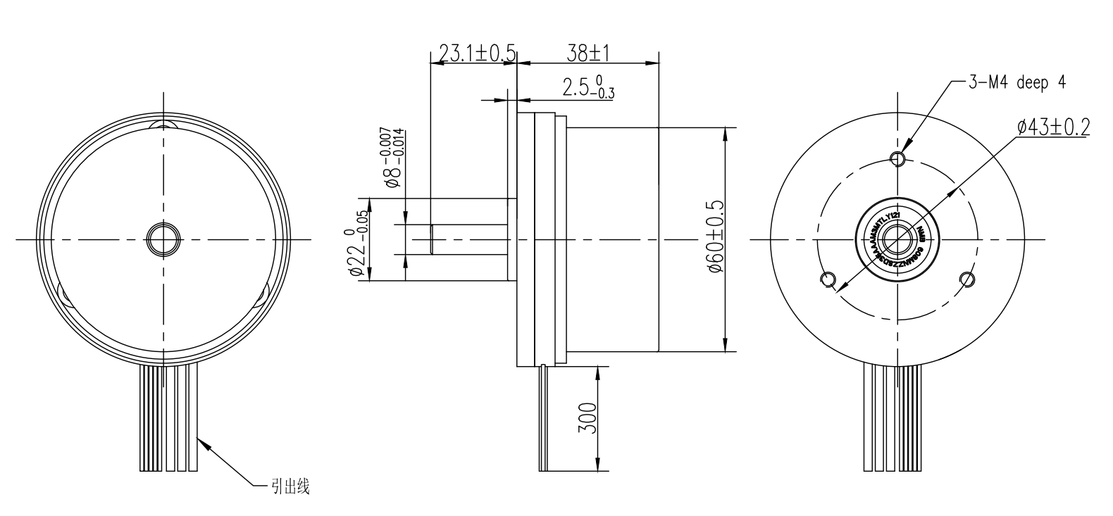
电机尺寸

image

资料下载
FL60BLW38-24V-37110A-1 74.1 KB

Copyright 2023 版权所有 江苏富兴电机技术股份有限公司

网上十大雷火竞技网(官方)网站/网页版登录入口/手机版登录入口-最新版(已更新) 网络正规PM娱乐城(官方)网站/网页版登录入口/手机版登录入口-最新版(已更新) 雷火竞技最火十大网(官方)网站/网页版登录入口/手机版登录入口-最新版(已更新) 网络188BET足球大全(官方)网站/网页版登录入口/手机版登录入口-最新版(已更新) boyu·博鱼权威足球(官方)网站/网页版登录入口/手机版登录入口-最新版(已更新) PM娱乐城网络足球网(官方)网站/网页版登录入口/手机版登录入口-最新版(已更新) 利记最新足球网(官方)网站/网页版登录入口/手机版登录入口-最新版(已更新) 利记网上网络盘口(官方)网站/网页版登录入口/手机版登录入口-最新版(已更新)