Item | Specifications |
步距角精度Step Angle Accuracy | ±8% (整步空载full step, no load) |
电阻公差Resistance Accuracy | ±10% |
电感公差Inductance Accuracy | ±20% |
温升Temperature Rise | 80。C Max.(额定电流,2相通电 rated current,2 phase on) |
环境温度Ambient Temperature | -20℃+50℃ |
绝缘电阻Insulation Resistance | 100MΩMin. ,500VDC |
介电强度Dielectric Strength | 500VAC/1s |
径向间隙Shaft Radial Play | 0.06Max. (450 g-load) |
轴向间隙Shaft Axial Play | 0.08Max. (450 g-load) |
型号 Model | 步距角Step Angle (Deg.) | 相数 No. of Phase | 电压Voltage
(V) | 相电流Current /Phase (A) | 相电阻 Resistance /Phase (ohms) | 保持力矩 Holding Torque (g.cm) | 定位力矩 Detent Torque (g.cm) | 转子惯量 Rotor Inertia (g.cm^2) | 接线图 Wire Diagram |
PM3522-01A | 15 | 2 | 5 | 0.46 | 11 | 335 |
125 |
7.5
| A |
PM3522-02A | 15 | 4 | 5 | 0.46 | 11 | 300 | B | ||
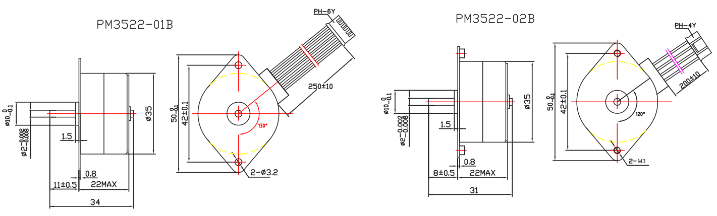
PM3522-01B | 7.5 | 4 | 5 | 0.862 | 5.8 |
550 | |||
PM3522-02B | 7.5 | 2 | 5 | 0.5 | 10 | A | |||
PM3522-03B | 7.5 | 2 | 12 | 0.2 | 608 | ||||
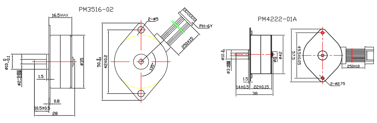
PM3516-01 | 7.5 | 4 | 12 | 0.255 | 47 | 300 | 65 | B | |
PM3516-02 | 7.5 | 2 | 5 | 0.42 | 12 | 350 | 75 | A | |
PM4222-01A | 7.5 | 4 | 12 | 0.8 | 15 | 800 | 210 | 9.6
| B |
PM4222-02A | 7.5 | 2 | 4.2 | 0.6 | 7 | 800 | 210 | A | |
PM4222-01B | 7.5 | 2 | 12 | 0.13 | 95 | 550 | 100 | 7.5 | |
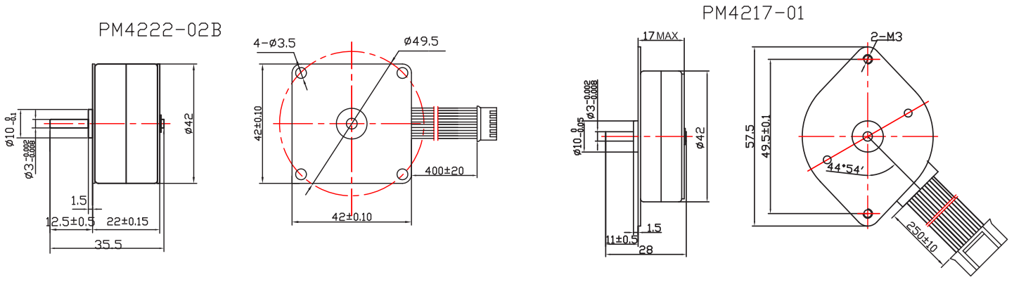
PM4222-02B | 7.5 | 4 | 5 | 0.81 | 6.2 | 600 | 110 | B | |
PM4217-01 | 7.5 | 4 | 12 | 0.24 | 50 | 600 | 90 | 9.6 | |
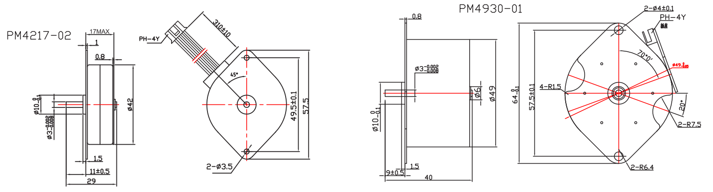
PM4217-02 | 7.5 | 2 | 5 | 0.59 | 8.6 | 500 | 100 | A | |
PM4930-01 | 7.5 | 2 | 5 | 0.9 | 5.5 | 1700 | 350 | <14.5 | |
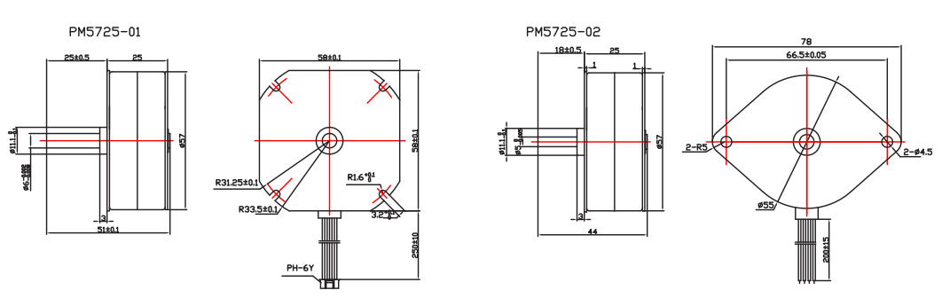
PM5725-01 | 7.5 | 4 | 12 | 0.6 | 21 | 1500 | 425 | <12.5 | B |
PM5725-02 | 7.5 | 2 | 5.6 | 0.625 | 9 | 1200 | A |
该款电机可以根据客户需求定制。
The motor can be designed &manufactured with customized request.









Copyright 2023 版权所有 江苏富兴电机技术股份有限公司