网络正规PM娱乐城

FL28CBLA-IE
产品中心 一体化系列

FL28CBLA-IE

Φ28mm 一体化无刷电机,带内置驱动器,24VDC, 4000RPM~4500RPM
选件:
  • FL28CBLA-IE

    编码器

  • FL28CBLA-IE

    齿轮箱

  • FL28CBLA-IE

    接插件

  • FL28CBLA-IE

    刹车


特性概要 ( General Specifications )

绕组连接方式 ( Winding Type )

星形 ( Star connection)

霍尔分布角度 ( Hall Effect Angle )

120度电角度 ( Electrical Angle of 120 degree)

径向间隙 ( Radial Play )

0.02mm@450g

轴向间隙 ( Axial Play )

0.08mm@450g

最大径向负载 ( Max radial force )

5N  距法兰10mm ( 10mm From the flange)

最大轴向负载 ( Max axial force )

2N

介电强度 ( Dielectric Strength )  

360VAC/1S

绝缘电阻 ( Insulation Resistance )

100MΩ, 500VDC

环境温度 ( Ambient Temperature )

-20°C   ~   +50°C

绝缘等级 (Insulation Class)

Class B

  

接线说明(Electric Connection)

引出线型号Type

引出线颜色Color

功能Functions

UL1430 AWG28

红色  ( Red )

电源正  ( Vcc )

黑色  ( Black )

电源负  ( GND )

绿色  ( Green )

转向控制(Rotating Direction)CW/CCW

蓝色  ( Blue )

PWM调速(Speed Control)

白色  ( White )

转速信号反馈(Tacho out)PG

 

电性能 (Electrical Specifications)


单 位 (Unit)

FL28CBLA38-24V-4012A-IE

FL28CBLA48-24V-4524A-IE

极数  ( Number of poles )


8

相数  ( Number of phases )


3

额定电压 ( Rated  voltage ) 

VDC

24

24

额定转矩 ( Rated torque) 

mN.m

28

50

连续运行转矩 ( Continuous stall torque)

mN.m

33.6

60

额定速度 ( Rated speed ) 

RPM

4000

4500

额定功率 ( Rated power )   

W

12

24

峰值转矩 ( Peak torque )      

mN.m

38.9

70

峰值电流 ( Peak current ) 

A

1.0

2.0

线电阻 ( Line to line resistance )              

ohms@20℃ 

5.7

2.5

线电感 ( Line to line inductance )              

mH  

2.48

1.2

转矩常数 ( Torque constant ) 

mNm/A

42.8

36.2

反电势 ( Back EMF )           

Vrms/KRPM

3.165

2.68

转动惯量 ( Rotor inertia )

g.cm2

5.8

7.3

机身长度 ( Motor length ) L

mm

38

48

重量 ( Weight )

Kg

0.095

0.12

 

该款电机可以根据客户需求定制。

The motor can be designed &manufactured with customized request.


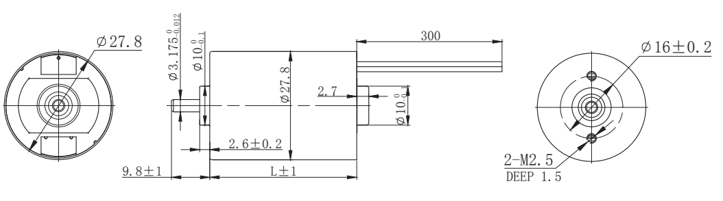
电机尺寸

image


资料下载
FL28CBLA38-24V-4012A-IE 215.86 KB
FL28CBLA48-24V-4524A-IE 212.55 KB

Copyright 2023 版权所有 江苏富兴电机技术股份有限公司

网上十大雷火竞技网(官方)网站/网页版登录入口/手机版登录入口-最新版(已更新) 网络正规PM娱乐城(官方)网站/网页版登录入口/手机版登录入口-最新版(已更新) 雷火竞技最火十大网(官方)网站/网页版登录入口/手机版登录入口-最新版(已更新) 网络188BET足球大全(官方)网站/网页版登录入口/手机版登录入口-最新版(已更新) boyu·博鱼权威足球(官方)网站/网页版登录入口/手机版登录入口-最新版(已更新) PM娱乐城网络足球网(官方)网站/网页版登录入口/手机版登录入口-最新版(已更新) 利记最新足球网(官方)网站/网页版登录入口/手机版登录入口-最新版(已更新) 利记网上网络盘口(官方)网站/网页版登录入口/手机版登录入口-最新版(已更新)