网络正规PM娱乐城

FL86STH-IP65
产品中心 IP65防水型

FL86STH-IP65

1.8° 86mm, Nema 34, IP65防水型步进电机
选件:
  • FL86STH-IP65

    编码器

  • FL86STH-IP65

    齿轮箱

  • FL86STH-IP65

    接插件

  • FL86STH-IP65

    刹车

特性概要(General specification)


项目(Item)

说明(Specifications)

步距角(Step Angle)

1.8°

步距角精度(Step Angle Accuracy)

±5% (整步无负载,full step, no load)

径向间隙( Radial Play)

0.02mm@450 g

轴向间隙( Axial Play)

0.08mm@450 g

最大径向负载(Max. radial force)

130N  距法兰20mm  (20mm from the flange)

最大轴向负载(Max. axial force)

36N  

介电强度(Dielectric Strength)

900VAC / 1S

绝缘电阻(Insulation Resistance)

100MΩ ,500VDC

环境温度(Ambient Temperature)

-20。C~+50。C

绝缘等级(Insulation Class)

Class B

防护等级(IP CODE)

IP65



电性能(Electrical specifications)

型号(Model No.)

Current

/Phase

每相

电流

Resistance

/Phase

每相

电阻

Inductance

/Phase

每相

电感

Holding

Torque

保持

转矩

Detent

Torque

定位

转矩

# of Leads

引出线数

Rotor

Inertia

转动惯量

Weight

重量

Length

机身

长度

Single shaft

(单出轴)

A

Ω

mH

N.m

N.m

#

g-cm2

kg

mm

FL86STH126-7004A-IP65

7

0.48

4.4

9

0.4

4

3000

3.95

127


该款电机可以根据客户需求定制。

The motor can be designed &manufactured with customized request.


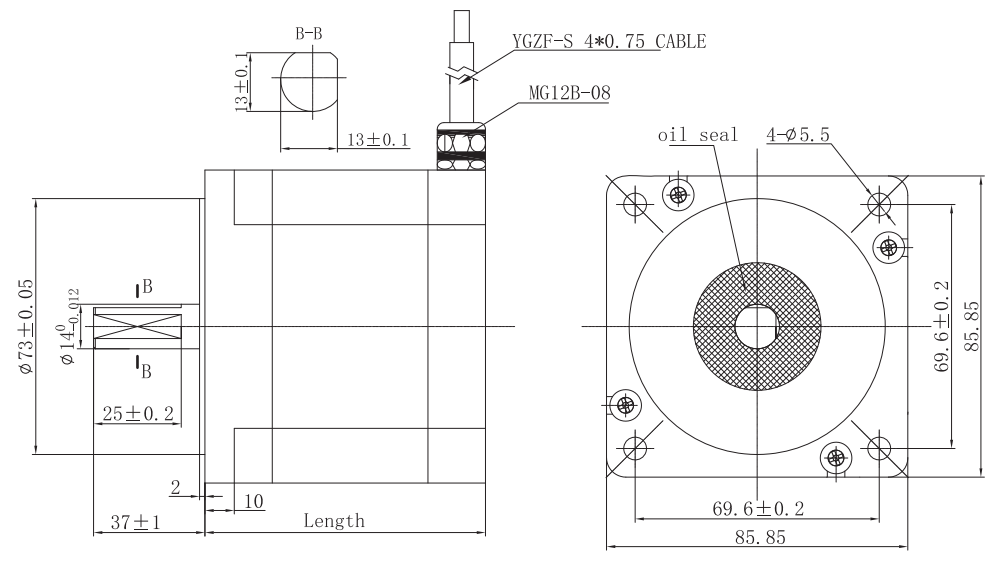
电机尺寸

image



接线图(Wiring Diagram)

 image


矩频曲线 (Pull out torque curve)

image


资料下载
FL86STH126-7004A-IP65 150.39 KB

Copyright 2023 版权所有 江苏富兴电机技术股份有限公司

网上十大雷火竞技网(官方)网站/网页版登录入口/手机版登录入口-最新版(已更新) 网络正规PM娱乐城(官方)网站/网页版登录入口/手机版登录入口-最新版(已更新) 雷火竞技最火十大网(官方)网站/网页版登录入口/手机版登录入口-最新版(已更新) 网络188BET足球大全(官方)网站/网页版登录入口/手机版登录入口-最新版(已更新) boyu·博鱼权威足球(官方)网站/网页版登录入口/手机版登录入口-最新版(已更新) PM娱乐城网络足球网(官方)网站/网页版登录入口/手机版登录入口-最新版(已更新) 利记最新足球网(官方)网站/网页版登录入口/手机版登录入口-最新版(已更新) 利记网上网络盘口(官方)网站/网页版登录入口/手机版登录入口-最新版(已更新)