网络正规PM娱乐城

FL36CBL-IE3
Product IE Driver for Brushless Motor

FL36CBL-IE3

The FL36CBL-IE3 integrated brushless motor is a high-performance motor independently developed by JIANGSU FULLING MOTOR TECHNOLOGY CO., LTD. It adopts a three-phase inductive square wave motor control chip with high integration, small size, and complete protection measures. This motor has the advantages of high rotation, low vibration, low noise, and good stability.
option:
  • FL36CBL-IE3
  • FL36CBL-IE3
  • FL36CBL-IE3
  • FL36CBL-IE3

Characteristics:

1) Input voltage 10VDC~28VDC, wide voltage input

2) Adopting PWM speed regulation

3) Equipped with functions such as speed feedback, forward and reverse rotation, braking, etc

4) It has protection functions such as undervoltage, overcurrent, and locked rotor

5) Ultra high cost-effectiveness, economically efficient

6) Acceptable customization


Application Fields: 

Widely used in various small and medium-sized automation equipment and instruments, such as electronic processing equipment, 3C non-standard automation equipment, screw locking machines, wire stripping machines, winding machines, terminal machines, laser machines, marking machines, spray painting machines, small and medium-sized carving machines, automatic grabbing equipment, specialized CNC machine tools, packaging equipment and robots.


Speed regulation mode control:

External PWM speed regulation: A pulse width digital signal (PWM) with an amplitude of 5V and a frequency of 20KHz can be applied between PWM and GND for speed regulation, and the motor speed is linearly adjusted by its duty cycle.


Control Port

Pin number

signal

function

Explanation

1

PWM

Speed regulation signal

PWM speed regulation:

0~5% Full speed

5~95% Linear speed regulation

95~100% cease

2

PG

Speed signal

TTL-5V level1 pulse   /1 Antipolar / rotate

3

F/R

Directional signal

Suspended or connected to a high voltage level:CW(4V~5V)

Connect to low level:CCW(0V~0.5V)

4

BK

Brake signal

Invalid when suspended or connected to a high level (4V~5V)

Connected to low-level brake effective (0V~0.5V)


Power Port

Pin number

Signal

Function   Description

1

VDD

Power input   positive terminalinput   voltage 10V~28Vdc

2

GND

Power input   negative terminal


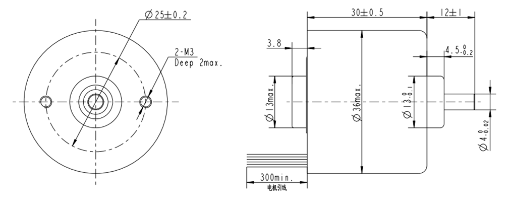
Motor size

image

Download
2D 157.53 KB
3D 281.84 KB
FL36CBL-IE3 User Manual for Integrated Brushless Motor 377.46 KB

Copyright 2023 Copyright Jiangsu Fulling Motor Technology Co., Ltd.

网上十大雷火竞技网(官方)网站/网页版登录入口/手机版登录入口-最新版(已更新) 网络正规PM娱乐城(官方)网站/网页版登录入口/手机版登录入口-最新版(已更新) 雷火竞技最火十大网(官方)网站/网页版登录入口/手机版登录入口-最新版(已更新) 网络188BET足球大全(官方)网站/网页版登录入口/手机版登录入口-最新版(已更新) boyu·博鱼权威足球(官方)网站/网页版登录入口/手机版登录入口-最新版(已更新) PM娱乐城网络足球网(官方)网站/网页版登录入口/手机版登录入口-最新版(已更新) 利记最新足球网(官方)网站/网页版登录入口/手机版登录入口-最新版(已更新) 利记网上网络盘口(官方)网站/网页版登录入口/手机版登录入口-最新版(已更新)