网络正规PM娱乐城

iSVD110C-48V-410-A14-001
Product Joint module

iSVD110C-48V-410-A14-001

Steady and Accurate, Light and Compact 60N.m integrated QDD motor module Motor body, reducer, and driver (double encoders) three-in-one, with a peak torque of 60N.m, equipped with high-performance motor control and closed-loop temperature control algorithms.
option:
  • iSVD110C-48V-410-A14-001
  • iSVD110C-48V-410-A14-001
  • iSVD110C-48V-410-A14-001
  • iSVD110C-48V-410-A14-001

Electrical Specs

ItemSpec
Magnetic Encoder2 pcs
Rated Voltage48V
Voltage Range15-60V
Rated Output Power380W±10%
Rated Torque20N.m
Peak Torque60N.m
Running DirectionCW/CCW
Temperature Range-20~50℃
Humidity Range5~85%
Storage Temperature Range-30~70℃
Insulation LevelClass B
No-load Speed195rpm±10%
No-load Current0.6Arms ±10%
Rated Load Speed180rpm±10%
Rated Load Phase Current13Apk ± 10%
Peak Phase Current43Apk ± 10%
Insulation Resistance/ Stator WindingDC 500VAC,100M 0hms
High Voltage Resistance/ Stator and Casing600VAC, 1s, 2mA
Back-EMF17Vrms/krpm ±10%
Line Resistance0.39Ω±10%
Torque Constant2.36N.m/Arms
Inductance0.275mH±10%


Mechanical Specs

ItemSpec
Weight900g±20g
Pole42
Phase3
Drive MethodFOC
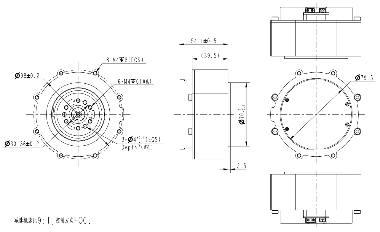
Reduction ratio9:01


Performance Curves

image


Max Overload

Load (N.m)Operating Time (s)
20rated
30189
40126
5012
607

image

Motor size

image

Download

Copyright 2023 Copyright Jiangsu Fulling Motor Technology Co., Ltd.

网上十大雷火竞技网(官方)网站/网页版登录入口/手机版登录入口-最新版(已更新) 网络正规PM娱乐城(官方)网站/网页版登录入口/手机版登录入口-最新版(已更新) 雷火竞技最火十大网(官方)网站/网页版登录入口/手机版登录入口-最新版(已更新) 网络188BET足球大全(官方)网站/网页版登录入口/手机版登录入口-最新版(已更新) boyu·博鱼权威足球(官方)网站/网页版登录入口/手机版登录入口-最新版(已更新) PM娱乐城网络足球网(官方)网站/网页版登录入口/手机版登录入口-最新版(已更新) 利记最新足球网(官方)网站/网页版登录入口/手机版登录入口-最新版(已更新) 利记网上网络盘口(官方)网站/网页版登录入口/手机版登录入口-最新版(已更新)