1. SPECIFICATIONS
Winding | Unipolar/Bipolar | ||||
Type | Captive, Non-Captive, External | ||||
Step Angle | 7.5 | 15 | |||
Voltage | V | 5 | 12 | 5 | 12 |
Current/phase | mA | 560 | 230 | 560 | 230 |
Resistance/Phase | Ω | 9 | 52 | 9 | 52 |
Inductance/Phase | mH | 11.5 | 72 | 8 | 56 |
Travel per step Avail | mm | 0.0127 | 0.0254 | ||
0.0254 | 0.0508 | ||||
0.0508 | 0.1016 | ||||
NOTE:The motor can be designed with customized request
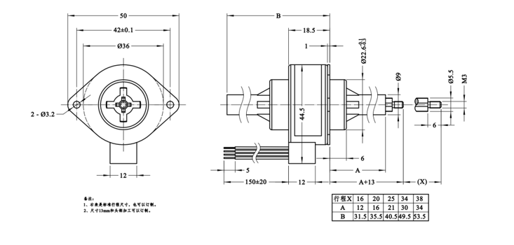
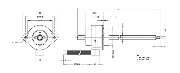
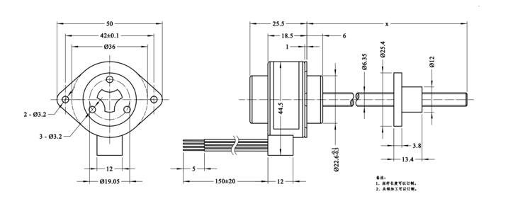
Screw diameter Optional ① 6.35 ② 4.77(mm)
Lead Optional ① 0.6096、1.0、1.2192、1.27、2.4384、2.54、4.0、8.0......(mm);② 0.635、1.27、2.54、5.08、10.16 ......(mm)
Travel per step Avail =(Step Angle/360)* Lead(mm)
2. STEP SPEED AND THRUST CURVE




2. 
3. 
Copyright 2023 Copyright Jiangsu Fulling Motor Technology Co., Ltd.