网络正规PM娱乐城

FL115HSV
Product Frameless motor

FL115HSV

Φ 115mm frameless motor, 48VDC
option:
  • FL115HSV
  • FL115HSV
  • FL115HSV
  • FL115HSV

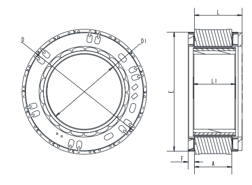
项目(Items)

FL115HSV25

FL115HSV50

公差(Tolerance)

定子外径D

115mm

115mm

±0.043(js9)

定子长度L

31.8mm

56.6mm

±1

转子内径D1

74mm

74mm

0.046(H8)

转子长度L1

32.7mm

57.7mm

±0.25

灌胶面外圆E

112mm

112mm

±0.2

灌胶面高度F

5.5mm

5.5mm

0.5

铁芯高度 A

25mm

50mm

/


特性概要 ( General Specifications )

绕组连接方式

( Winding Type   )

星形 ( Star   connection)

介电强度

( Dielectric   Strength ) 

1000VAC/1S

绝缘电阻

 ( Insulation Resistance )

100MΩ, 500VDC

环境温度

( Ambient   Temperature )

-20°C   ~   +50°C

绝缘等级

(Insulation   Class)

Class B


接线说明(Electric Connection)

引出线颜色

Color

引出线型号

Type

功能

Functions

白色 (WHT)

UL1332    

AWG26

NTC

白色 (WHT)

NTC

黄色  ( Yellow )

UL1332    

AWG16

U (   Phase U )

红色  ( Red )

V (   Phase V )

黑色  ( Black)

W (   Phase W )


电性能 (Electrical Specifications)


(Unit)

FL115HSV25-48V-14570-T-2

FL115HSV50-48V-06620-T-2

极数  ( Number of poles )

 

20

20

相数  ( Number of phases )


3

3

额定电压 (   Rated  voltage )        

VDC

48

48

额定转矩 (  ; Rated torque)       

N.m

3.9

7.8

额定电流(Rated current)                 

A

14.1

13.0

额定速度 (   Rated speed )        

RPM

1400

620

额定功率 (   Rated power )        

W

571

617

最大转速(Maximum speed)              

RPM

1900

900

峰值转矩 (   Peak torque )         

N.m

11.7

23.4

峰值电流 (   Peak current )        

A

42.3

39.0

线电阻 (   Line to line resistance )             

ohms@20

0.2

0.35

线电感 (   Line to line inductance )   ;          

mH 

0.5

1.6

转矩常数 (   Torque constant )        

Nm/A

0.293

0.662

反电势 (   Back EMF )          

Vrms/KRPM

17.7

          40

重量 (   Weight )              

g

1100

         2200

电气时间常数(Electrical   time constant)   

ms

2.5

4.57

根据要求,该款电机可以设计和制造成定制的类型。

The motor can be designed &manufactured with customized request.


Motor size

image

Download

Copyright 2023 Copyright Jiangsu Fulling Motor Technology Co., Ltd.

网上十大雷火竞技网(官方)网站/网页版登录入口/手机版登录入口-最新版(已更新) 网络正规PM娱乐城(官方)网站/网页版登录入口/手机版登录入口-最新版(已更新) 雷火竞技最火十大网(官方)网站/网页版登录入口/手机版登录入口-最新版(已更新) 网络188BET足球大全(官方)网站/网页版登录入口/手机版登录入口-最新版(已更新) boyu·博鱼权威足球(官方)网站/网页版登录入口/手机版登录入口-最新版(已更新) PM娱乐城网络足球网(官方)网站/网页版登录入口/手机版登录入口-最新版(已更新) 利记最新足球网(官方)网站/网页版登录入口/手机版登录入口-最新版(已更新) 利记网上网络盘口(官方)网站/网页版登录入口/手机版登录入口-最新版(已更新)